0212 280 86 86
Giriş Yap
Üye Ol
0
Sepetim
Sepetim
0
Ürün
0
TÜM KATEGORİLER
Aydınlatma Parçaları
Tüm Aydınlatma Parçaları
Far Parçaları
Far Sinyal Kolları
Reflektörler
Sinyal Parçaları
Sis Farı Parçaları
Stop Parçaları
Tavan Lambası
Aynalar Ve Aksamları
Tüm Aynalar Ve Aksamları
Ayna Camı
Ayna Kapağı
Ayna Sinyali
İç Dikiz Aynası
Kapı Aynası
Güvenlik
Tüm Güvenlik
Kontak Ve Anahtar Parçaları
Kaporta Ve Trim Parçaları
Tüm Kaporta Ve Trim Parçaları
Akü Ve Parçaları
Akü Parçaları
Alt Taban
Anten
Arka Bagaj Pakosu
Ayak Basamak Plastiği
Ayak Basamak Sacı
Ayna Ayar Düğmesi
Bagaj Açma Teli
Bagaj Arma
Bagaj Çıtası
Bagaj Döşemesi
Bagaj Fitili
Bagaj Kapağı
Bagaj Kapak Nikelajı
Bagaj Menteşesi
Bagaj Ve Kapı Kolu
Bagaj Ve Kaput Amortisörü
Cam Açma Kol Ve Düğmesi
Cam Fitili
Cam Kızağı
Cam Krikosu Ve Parçaları
Cam Lastiği
Cam Sıyırıcı
Cam Su Bidonu
Çamurluk
Çamurluk Ağzı Plastiği
Çamurluk Bağlantı Braketi
Çamurluk Bandı
Çamurluk Davlumbazı
Çamurluk Hav. Izgarası
Çeki Demiri Kapağı
Depo Kapağı Açma Teli
Depo Ve Bagaj Açma Mandalı
Diğer Bagaj Parçaları
Diğer Düğmeler
Diğer Kapı Parçaları
Diğer Kaporta Parçaları
Direksiyon Korna Kapağı
Dodik Plastiği
Emniyet Kemeri
Far Alt Bağlantı Braketi
Far Alt Çıtası
Far Alt Nikelajı
Far Çerçevesi
Far Tamir Kiti
Far Üst Çıtası
Far Üst Nikelajı
Far Yıkama Fıskiye Kap.Mekaniz
Far Yıkama Fıskiye Kapağı
Far Yuva Sacı
Göğüs Üfleme Plastiği
Gösterge Paneli Ve Parçaları
Güneşlik
Hava Yönlendirici
Hoparlör Kapağı
Jant
Kapı Açma Teli
Kapı Ayna Muskası
Kapı Bandı
Kapı Cam Çerçevesi
Kapı Çekme Kolu
Kapı Döşemesi
Kapı Gergisi
Kapı İç Ve Dış Sıyırıcı
Kapı Kilit Karşılığı
Kapı Komple
Kapı Menteşesi
Kapı Toz Lastiği
Kaput Açma Teli
Kaput Hav.Izgarası
Kaput İzalatörü
Kaput Menteşesi
Kaput Uç Nikelajı
Karlık/Tampon Altı
Karter ve Muhafazası
Kilit ve Parçaları
Koltuk Parçaları
Köşe Paneli/Rüzgarlık
Kül Tablası
Marşbiyel Plastiği
Marşbiyel Sacı
Motor Beşiği
Motor Kaputu
Motor Traversi
Orta Kapı Ray Bağlantısı
Ön Cam Izgarası
Ön Göğüs Bağlantı Sacı
Paçalık/Tozluk
Pandizot
Panel
Panjur
Panjur Paneli
Panjur Peteği
Panjur Plastiği
Panzot (Ön Göğüs Üst)
Pedal Ve Parçaları
Plakalık
Podye Sacı(Şasi Sacı)
Silgi Paneli
Sis Lamba Braketi
Sis Lamba Çerçevesi
Sis Lamba Kapağı
Spoyler/Spoıler
Stop Bakaliti
Stop Çıtası
Stop Yuva Sacı
Şanzuman Muhafaza Plastiği
Şasi Uç Demiri
Taban Sacı
Tampon
Tampon Bağlantı Demiri
Tampon Bandı
Tampon Basamak Plastiği
Tampon Braketi
Tampon Demiri
Tampon Dodiği
Tampon Koruma Plastiği
Tampon Nikelajı
Tampon Panjuru
Tampon Şok Emici
Tampon Ucu
Tavan Lambası
Tavan Oluk Çıtası
Tavan Oluk Nikelajı
Tavan Sacı
Teyp Paneli
Torpido Kapağı
Yakıt Depo Kapağı
Yazılar
Silecek Sistemleri
Tüm Silecek Sistemleri
Cam Su Fıskiye Memesi
Silecek Kolu Ve Parçaları
Silecek Motoru
Silecek Süpürgesi
Su Fıskiye Deposu Ve Parçaları
Su Fıskiye Motoru Ve Parçaları
YARDIM MERKEZİ
Giriş Yap
Üye Ol
Sipariş Takip
S.S.S
Hesabım
Giriş Yap
Üye Ol
Şifremi Unuttum
Müşteri Hizmetleri
Diğer
Aracınızı Seçin
Alfa Romeo
Audi
Bmw
Cherokee
Chery
Chevrolet
Citroen
Dacia
Daewo
Daihatsu
Fiat
Ford
Honda
Hyundai
İsuzu
Jeep
Kia
Lada
Landrover
Mazda
Mercedes
Mini
Mitsubishi
Nissan
Opel
Peugeot
Renault
Seat
Skoda
Subaru
Suzuki
Tesla
Toyota
Volkswagen
Volvo
Model Seçin
Ana kategori Seçin
Aydınlatma Parçaları
Aynalar Ve Aksamları
Güvenlik
Kaporta Ve Trim Parçaları
Silecek Sistemleri
Alt Kategori Seçin
Ürünleri Listele
Ana Sayfa
Kaporta Ve Trim Parçaları
Çamurluk
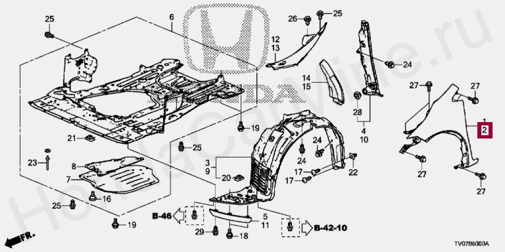
Honda Civic Ön Çamurluk Hatchback Sol 2012- (Oem No: 60260Tv0E00Zz)
Ürün Kodu:
HON08CI052
Marka:
TST
Kategori:
Çamurluk
10.846,58 TL
KARGO BEDAVA
1.174,23 TL 'den başlayan taksitlerle
Ürün stokta bulunmamaktadır.
Güvenli Alışveriş
İade ve Değişim
Favorilerime Ekle
Favorilerimden Çıkar
Tavsiye Et
Yorum Yaz
Karşılaştır
Gelince Haber Ver
Telefonla Sipariş
Ürün Önerileri
Ürün Açıklaması
Garanti ve Teslimat
Taksit Seçenekleri
Yorumlar
TESLİMAT
Ürünü sipariş verdiğiniz günden bir sonraki gün kargoya teslim edilir.
Benzer Ürünler
KARGO BEDAVA
Renault Captur Ön Çamurluk plastiği Siyah Sol 2012- (Oem No: 631018073R)
2.417,85 TL
SEPETE EKLE
KARGO BEDAVA
Tükendi
Renault Captur Ön Çamurluk plastiği Siyah Sağ 2012- (Oem No: 631005737R)
2.417,85 TL
STOKTA YOK
KARGO BEDAVA
Ford Fiesta Ön Çamurluk Davlumbazı Sol 1995-1999 (Oem No: Ys6116115Ad)
1.537,64 TL
SEPETE EKLE
KARGO BEDAVA
Ford Fiesta Ön Çamurluk Davlumbazı Sağ 1995-1999 (Oem No: Ys6116114Ad)
1.537,64 TL
SEPETE EKLE
KARGO BEDAVA
Ford Fiesta Mk5 Ön Çamurluk Sağ 1999-2002 (Oem No: Ys6116016Ap)
2.529,16 TL
SEPETE EKLE
KARGO BEDAVA
Ford Fiesta Mk5 Ön Çamurluk Sol 1999-2002 (Oem No: Ys6116015Ap)
2.529,16 TL
SEPETE EKLE
KARGO BEDAVA
Tükendi
Citroen C3 Aırcross Ön Çamurluk Sağ 2017- (Oem No: Yq00049280)
7.594,74 TL
STOKTA YOK
KARGO BEDAVA
Tükendi
Citroen C3 Aırcross Ön Çamurluk Sol 2017- (Oem No: Yq00049180)
7.594,74 TL
STOKTA YOK
KARGO BEDAVA
Ford Transit Ön Çamurluk Demiri Sac Alt Sol 2000-2006 (Oem No: Yc1516E105Ar)
2.053,52 TL
SEPETE EKLE
KARGO BEDAVA
Ford Transit Ön Çamurluk Demiri Sac Alt Sağ 2000-2006 (Oem No: Yc1516E104Ap)
2.053,52 TL
SEPETE EKLE
KARGO BEDAVA
Ford Transit Ön Çamurluk Demiri Sac Üst Sol 2000-2006 (Oem No: Yc1516C275Aj)
1.941,87 TL
SEPETE EKLE
KARGO BEDAVA
Ford Transit Ön Çamurluk Demiri Sac Üst Sağ 2000-2006 (Oem No: Yc1516C274Aj)
1.941,87 TL
SEPETE EKLE
KARGO BEDAVA
Ford Transit Ön Çamurluk Delikli Sol 2000-2006 (Oem No: Yc151616Bt)
2.522,62 TL
SEPETE EKLE
KARGO BEDAVA
Ford Transit Ön Çamurluk Delikli Sağ 2000-2006 (Oem No: Yc151615Bt)
2.522,62 TL
SEPETE EKLE
KARGO BEDAVA
Ford Transit Ön Çamurluk Delikli Sol 2000-2005 (Oem No: Yc1516016Bt)
2.751,68 TL
SEPETE EKLE
KARGO BEDAVA
Tükendi
Ford Transit Ön Çamurluk Sol 2000-2005 (Oem No: Yc1516016At)
2.522,62 TL
STOKTA YOK
KARGO BEDAVA
Ford Transit Ön Çamurluk Sol 2000-2005 (Oem No: Yc1516016At)
2.751,68 TL
SEPETE EKLE
KARGO BEDAVA
Ford Transit Ön Çamurluk Delikli Sağ 2000-2005 (Oem No: Yc1516015Bt)
2.751,68 TL
SEPETE EKLE
KARGO BEDAVA
Tükendi
Ford Transit Ön Çamurluk Sağ 2000-2006 (Oem No: Yc1516015At)
2.522,62 TL
STOKTA YOK
KARGO BEDAVA
Ford Transit Ön Çamurluk Sağ 2000-2005 (Oem No: Yc1516015At)
2.751,68 TL
SEPETE EKLE
Anasayfa
İletişim
Sepetim
0
Favorilerim
Hesabım
Yükleniyor...
Bu site
Qukasoft
profesyonel
e-ticaret
sistemleri ile hazırlanmıştır.